The difference between high-side and low-side power switching is not apparent to many new designers but is a critical aspect of a viable circuit.
Part 1 looked at the topology of high-side versus low-side arrangements; this part looks at switches and decisions in more detail.
The switches
Q: Is a high-side switch the same as a low-side one but located at a different point in the current path?
A: Yes – but only if that switch is a mechanical, manually operated mechanical unit. For electronic switches, the situation is much more complicated. A high-side switch cannot be referenced to system ground, and the voltage level needed to drive it is not the same as it is for a low-side switch. If it were referenced directly to ground, it would short out the load between supply and ground. The fact that the high-side switch is not connected to ground (ground references) has major implications for the switch itself as well as circuit topology.
Q: So, what is done for high-side switching?
A: For high-side switching, the gate- or base-control signal that controls the electronic-switch element (transistor, FET, or other) must be applied relative to the supply voltage rather than relative to the ground, which is the usual reference for the control signal. Further, when using an N-channel FET, the gate drive has to exceed the supply voltage by the full gate-on voltage (usually 10 to 12 V for power FETs). The design is much more complicated than a low-side switch

Q: Are both high-side and low-side switches available as standard ICs?
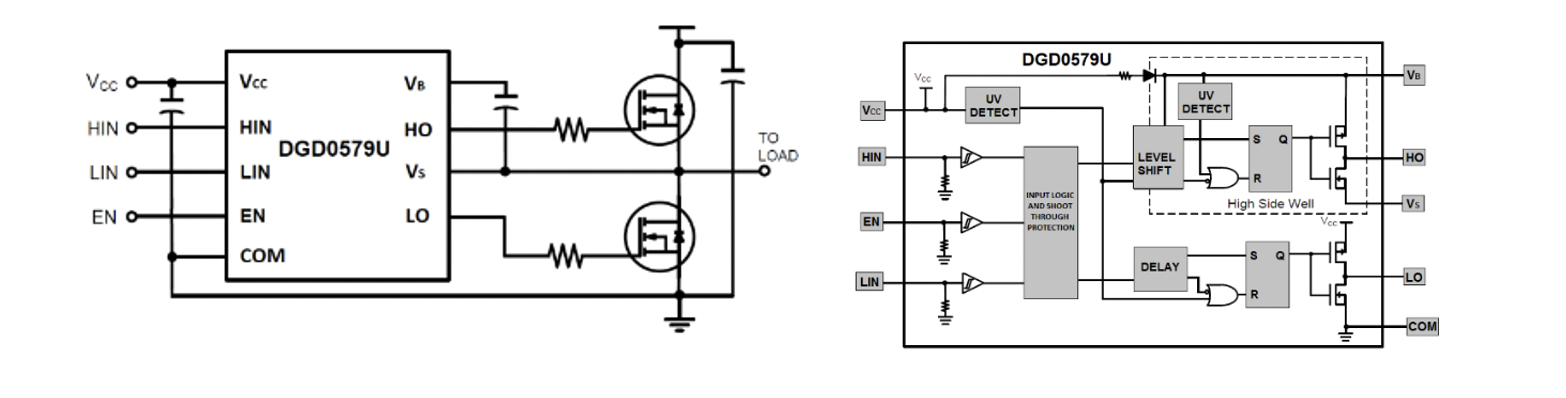
A: Low-side switches are generally easier to drive as no level-shifting is needed. In contrast, designing, implementing, and using a low-side switch is much easier than a high-side switch due to device process, architecture, circuit topologies, and drive. Vendors offer low-side and high-side switches with gate drivers that have level translators and charge pumps built in (Figure 1). Their input is a normal ground-reference logic signal, and the output is 0 or 12-V above the positive supply, controlled by the input signal.
Most vendors of low-side switches also offer high-side switches and drivers to create complementary pairs with similar ratings. In some cases, the switching element is in the same package or die as its driver; in other cases, the switch current and voltage rating are higher than an integrated circuit can provide, so the high-side or low-side driver is in the IC while the switch it drives is external and selected by the user (Figure 2).


Q: What can designers do if a suitable high-side switch is unavailable?
A: In some cases, designers can use an alternate strategy if a high-side switch with suitable voltage or current ratings is not available. They can add galvanic (ohmic) isolation to a low-side switch to allow it to function as a high-side switch (Figure 3). In this way, the logic-level control signal can be referenced to the ground, but the switch does not have any current path to the ground. To maintain electrical symmetry in the signal paths of the two switches, it is usually necessary and prudent to also isolate the low-side switch.
Which one to use where and when
Q: When should I use high-side versus low-side switching?
A: That’s an easy question to ask, and sometimes it has an easy answer, but sometimes it does not. If you are switching with a mechanical switch in a simple, non-grounded single-loop circuit, it often doesn’t matter. However, most designs use electronic switches in more complicated circuits. In such cases, even the small resistance of the switch (typically under one ohm) and the fact that the load cannot be mechanically connected to electrical common/ground is a problem, as it can adversely affect the circuit operation and cause a safety/short-circuit hazard.
Q: Are there other perspectives?
A: High-side switching is the preferred switching technique in situations where short circuits to the ground are more likely to occur than short circuits to the positive power line. For example, think of cars or machines where most of the structure or body is connected to the ground. In such cases, it is safer to disconnect the load from the battery than from the ground.
Q: Are there guidelines or “rules of thumb?”
A: Generally, you want to connect the ground in a circuit and switch the power. The low-side switch switches the ground, while the high-side switch connects to the voltage supply.
A low-side switch is suitable if you turn a single device on and off. Low-side switching is generally easier to implement and cheaper if the circuit and load can tolerate the ground currents created when switching the load. However, there are exceptions depending on the specifics.
Further, you may need a high-side switch if you deliver power to an entire circuit or a voltage-sensitive device. Remember that even when the switch transistor is fully turned on, there is still a small voltage drop across it, about half a volt. If the circuit cannot tolerate this offset from the ground – and many cannot do so due to resultant disturbances to the ground-current flow and for convenience or safety reasons — it is better to switch via the high side. When the load requires true zero-volt ground, you need to use a high-side switch.
Many real designs have a single source supporting multiple loads either directly or through various local regulators, but all with a single common ground. That arrangement defines the reality of the current flow and current-return path. In addition, any component or circuit path that gets between the load and its ground, such as a low-side switch, is detrimental to having a low-impedance current path to ground. However, a direct, unimpeded path is critical to minimizing EMI/RFI emissions, circuit sensitivity to ambient noise, and parasitics, as well as providing for effective management of current flow.
Using a high-side switch also allows the return current of each load to be optimally managed. This is especially important when higher-power loads have their high-voltage power source yet still share a common “ground” route to some extent with unrelated low-power functions.
Q: Can you summarize these choices? What’s the right way to go?
A: As usual, it depends on the circuit and the application:
- There are cases where high-side versus low-side switching doesn’t matter, such as a simple battery, switch, and load circuit without mechanical attachment considerations.
- Then there are cases where it may matter, such as multiple loads connected to a single source, but each load has an independent current-turn path to the source (such as individually controlled lamps, each with its own source/return loop wire).
- Finally, there are many cases where the high side is mandatory, such as when driving an H-bridge when the load must have a low impedance to the electrical ground or when the physical arrangement of the loads and current-return path means that the multiple loads have a common ground via a chassis, high-current bus, or circuit-board ground plane. Despite their added cost, they are often preferred and needed to meet design objectives and some regulatory or safety mandates.
Q: Is there any other circuit situation with somewhat analogous considerations to high-side versus low-side switching?
A: Yes, absolutely. Sensing of current through a load using the voltage drop across a known resistor inserted in series (called a shunt resistor) rather than using non-contact sensing (with a Hall-effect device or inductive sensor) brings many of the same issues of placing and load switch in the path from power source to load and to ground. The effect of high-side versus low-side current sensing has many similarities to power-switching issues. When measuring the voltage across a grounded low-side resistor, these must be considered compared to a non-grounded high-side resistor.
Related EE World content
Power switch enhances system safety through intelligent load control
High-side gate drivers keep vehicles driving
MOSFET half-bridge gate driver targets motor appliance apps
Measuring a sense-resistor’s voltage drop, Part 1: Sensing issues
Measuring a sense-resistor’s voltage drop, Part 2: Isolation
Measuring a sense-resistor’s voltage drop, Part 3: CMV-suitable components
External references
Texas Instruments SLVA652A, “Load Switches: What Are They, Why Do You Need Them And How Do You Choose The Right One?”
Texas Instruments SLVAEC5, “When to Make the Switch to an Integrated Load Switch”
Infineon, “Automotive power distribution system”
Rohm, “High Side and Low Side Switches”
Elektor Magazine, “How to Choose Between High-side and Low-side Switching”
The Bald Engineer, “Low side vs. High side transistor switch”
Stack Exchange/Electrical Engineering, “Difference between High- and Low- side switching of power?”
Codidact Electrical Engineering, “High Power Switch – High Side vs. Low Side Switching”
Electronics and Embedded Systems, Microcontrollers, Arduino, “Low Side switching and High Side Switching for Arduino/ microcontroller based applications”
Electro-Tech-Online, “Low-side vs. high-side switches”
Naver, “Low side switch / High side switch”
Rohm, “Single-Switch Circuit Driving and Half-Bridge Circuit Driving”
On Semiconductor, AND9848/D, “The Load Switch: Application Notes on Selection and Use of ecoSWITCH Products”






Leave a Reply
You must be logged in to post a comment.