Peer-to-peer, engineer-to-engineer questions and answers from the EDABoard.com engineering community around power electronics. Click the “Read more” link and follow the entire conversation and maybe add your two cents by logging in to EDAboard.com
Y2 capacitors downstream of common mode choke – We have seen a report detailing that Y capacitors in an offline SMPS should be placed upstream of a common mode choke. However, I always thought that it was better if they were downstream of it. Read more
Problem with IR2112 on Proteus – I am designing a pure sine wave inverter and am using IR2110 as a driver for the H-bridge. On Proteus, however, only IR2112 is available so I used it. I managed to get all the connections in a correct way with a good value for the bootstrap capacitor. But I am always getting a distorted signal on the output of the h-bridge. Read more
Shifting the waveform in LTspice – I am new to LTspice and i don’t know how to shift a wave. Problem is I have to give an AC input of amplitude 5v for both positive and negative cycle. But I actually get a waveform that doesn’t start from 0. Read more
What does the transistor do in the attached circuit? – I have the following power circuit and I was wondering what the transistors do in this circuit? It is an old circuit that is proven to be working athough I am thinking of removing the transistors… any thoughts? Read more
300W 20A Buck converter – For an ESP8266 project I have a question and I hope one of you can help me I want to use this SZBK07 300W 20A Buck module ( see below) on 72-cell 300Watt solar panels with an Open voltage Voc of 43V. This module is rated 40V input max. That is just outside the absolute maximum ratings of the TL8711. Can anyone tell me if this control chip is fed directly from this input or is there a regulator in between the input voltage and the control chip Vcc? Read more
H-bridge MOSFET protection – I have built a 220 V pure sine inverter using EG8010 PWM ASIC.
The circuit is overload protected by using shunt and op-amp but it’s not protected from output sparks.
Here is the original circuit:
Everything is ok, except when we have spark at output which leads one or more MOSFETs and even the driver IC to burn.
Can I put 13 or 15 V Zener diode between the source and gates to protect MOSFETs and driver ICs like this? Read more
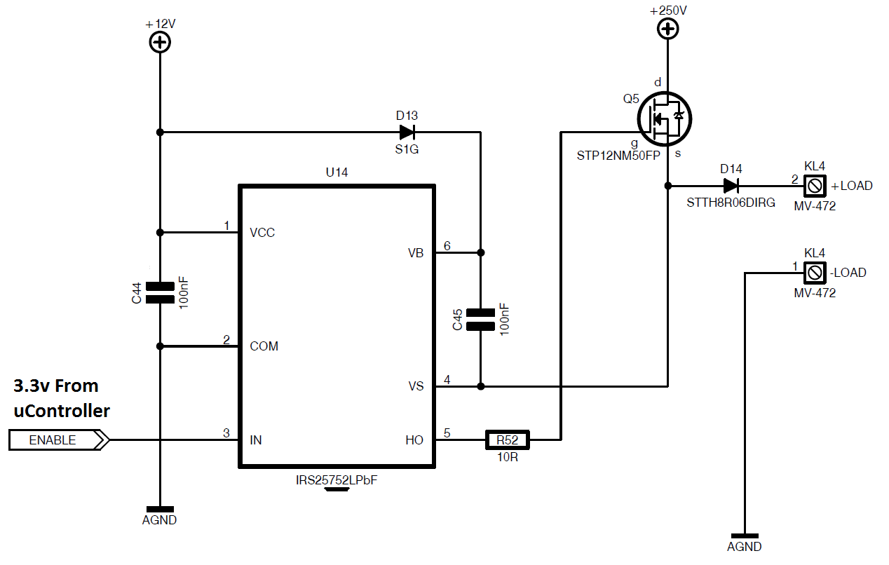
High-side MOSFET gate driver problem using bootstrap IC – I’m having some trouble driving the MOSFET. What I want to do is to have the MOSFET act like a switch that connects and disconnects the drain voltage to the load. I’m driving the gate driver IC from a GPIO of an STM32 micro but I never get an output to the load, as expected. Read more
12v 5v 2a dual power supply – I am having problems producing 2A with this power supply. Read more
SMPS transformer air gap – I’ve designed many switch-mode power supply transformers in the past and have not questioned the presumption that the ferrite core air gap is best located on the core center limb, because that’s how they are supplied. But I’m working on a new project where extreme high efficiency is a principal objective. On taking measurements on prototype transformers, I’ve found that the transformer loss is lower when the gap is distributed across all three E-core limbs – ie using a spacer instead of a center limb-only gap. This has been a consistent finding on a number of samples (gapped for same inductance in all cases). The primary winding is full bobbin width foil with secondaries either side of standard magnet wire (high turns ratio). So I’m wondering if anyone has experienced the same or has any observations or comments that may shed light? Read more
127Vac 60Hz to 24Vac 50Hz – Here in the country that I live the outlet voltage is 127V and frequency 60Hz but I need 24V 50Hz (precise) 100mA. How do I build a converter? I have a REGA turntable bought in England and I’ll install here in my house in Brazil. Read more
















Leave a Reply
You must be logged in to post a comment.